Светодиодные светильники для теплиц дешевле газоразрядного оборудования

 Очистительный огонь светодиодных технологий

 www.street-leds.ru — презентация уникального светодиода для уличного освещения

 www.agro-leds.ru - новое поколение светодиодных светильников для теплиц

 SUFB-300 голубой светодиод «Национальное достояние»



Ищу аналог прибору GrowPanel Pro 300W
от КТЛ: Дмитрий, 31 октября 2025, 19:04
Возобновление работы интернет-конференции "Светодиоды и Светодиодное освещение"
от КТЛ: Дмитрий, 31 октября 2025, 18:49
Помогите с контроллером HD E3
от Alex, 28 марта 2025, 17:17
Какие лампы лучше для досветки растений в теплицу?
от Alex, 14 октября 2019, 07:14
Подключение светодиодного светильника через датчик движения
от Alex, 30 сентября 2019, 23:23




 KPXX-1522-7 светодиод высокой мощности 7 Вт (high power led 7w)
Наименование: KPXX-1522-7
сверхмощный светодиод 7 Вт.
Другие названия и аналоги:
high power led 7w.
сверхмощный светодиод 7w

KPXX-080-1 мощный cветодиод 1Вт
KPXX-080-2 мощный cветодиод 2Вт
KPTR-080 мощный RGB светодиод 3Вт
KPXX-080-3 мощный cветодиод 3Вт
KPXX-080-5 сверхмощный cветодиод 5Вт
варианты исполнения сетодиодов серии KPXX-080
KPXX-1522-7 сверхмощный cветодиод 7Вт
перейти в начало каталога
high power led 7w
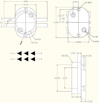
Размеры в мм
Двойной угол половинной яркости 2Q½: 120 градусов
 
Параметр Максимальное значение
Рассеиваемая мощность
8 Вт
Постоянный прямой ток
700 мА
Импульсный прямой ток (Скважность 1/10, частота 1 кГц)
1050 мА
Обратный ток 80 µА
Обратное напряжение
15 В
Диапазон рабочих температур -40°С / +100°С
Диапазон температур хранения -40°С / +110°С
Температура p-n перехода 120°С
Абсолютные максимальные значения


 

Наименование Световой поток (Лм) Прямое напряжение (В) Доминирующая длина волны (нм) / цветовые координаты (X,Y) Тип линзы Угол свечения 2Q½ (градусы)
Мин. Макс. Мин. Макс. Мин. Макс. Тип.
  KPBL-1522-7 100 8.0 12.0 460 475 468 прозрачная 120
  KPPG-1522-7 420 8.0 12.0 520 540 530 прозрачная 120
  KPYE-1522-7 240 5.0 7.5 585 598 592 прозрачная 120
  KPAM-1522-7 240 5.0 7.5 600 610 605 прозрачная 120
  KPOR-1522-7 180 5.0 7.5 610 620 615 прозрачная 120
  KPNR-1522-7 180 5.0 7.5 620 635 628 прозрачная 120
  KPWH-1522-7 540 8.0 12.0 X:0.26-0.36, Y:0.28-0.38 прозрачная 120
Электро-оптические характеристики (Прямой ток IF=700 мА; TA=25°C)


 

Информация по бинам (маркировка светодиодов по цвету, яркости и другим параметрам)

светодиоды KTL KTL на карте KTL в Telegram X

© 2006-2025 bright-leds.ru | cветодиоды KTL. Любое копирование или распространение материалов этого сайта запрещено.